Bodenmikroben bauen Kunststofffolie ab



Bio-News vom 25.07.2018

Dünne Mulch-Folien aus Polyethylen werden in vielen Ländern im Ackerbau eingesetzt und verschmutzen dort Böden massiv. Nun zeigen Forscher der ETH Zürich und der Eawag auf, dass es Alternativen gibt: Folien aus dem Kunststoff PBAT werden im Boden biologisch abgebaut.

Unsere Welt ertrinkt in einer Plastikflut. Acht Millionen Tonnen Plastik landen jedes Jahr in den Weltmeeren. Auch landwirtschaftlich genutzte Böden bleiben nicht verschont. Im grossen Stil decken Bauern weltweit Böden mit Mulch-Folien aus Polyethylen (PE) ab, um Unkräuter einzudämmen, die Bodentemperatur zu erhöhen und den Boden feucht zu halten. Auf diese Weise können sie den Ertrag von Nutzpflanzen steigern.

Nach der Ernte können die Landwirte diese Folien jedoch oft nicht komplett einsammeln, insbesondere dann, wenn sie nur wenige Mikrometer dünn sind. Somit gelangen PE-Folienrückstände in den Boden und reichern sich an, da sie dort nicht abgebaut werden. Die Folienreste senken allerdings die Bodenfruchtbarkeit, stören den Wasserhaushalt und schränken das Wachstum von Nutzpflanzen ein.


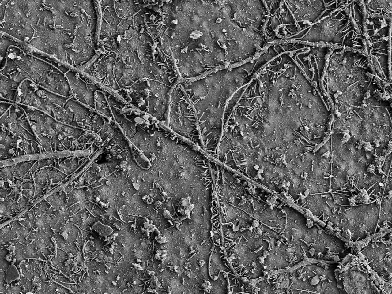
Nach wenigen Wochen im Boden besiedelten bereits zahlreiche Mikroorganismen die Oberfläche der PBAT-Folie und hatten mit dem biologischen Abbau des Polymers begonnen. (Elektronenmikroskopie-Bild)

Publikation:


Zumstein MT, Schintlmeister A, Nelson TF, Baumgartner R, Woebken D, Wagner M, Kohler H-P E, McNeill K, Sander M.
Biodegradation of synthetic polymers in soils: Tracking carbon into CO2 and microbial biomass

Science Advances, 25. Juli 2018

DOI: 10.1126/sciadv.aas9024



Bakterien mineralisieren alternatives Polymer

Forscher der ETH Zürich und der Eawag zeigen nun in einer interdisziplinären Studie auf, dass es durchaus Anlass zu Hoffnung gibt. In ihrer jüngsten Studie weisen sie nach, dass Bodenmikroben alternative Folien aus dem Kunststoff Polybutylenadipat-terephthalat (PBAT) abbauen können. Ihre Arbeit erschien soeben in der Fachzeitschrift „Science Advances“ [http://dx.doi.org/10.1126/sciadv.aas9024].

Unter der Ägide von Michael Sander, Kristopher McNeill und Hans-Peter Kohler konnte der ehemalige ETH-Doktorand Michael Zumstein nachweisen, dass die Mikroorganismen den Kohlenstoff des Polymers sowohl für ihren Energiestoffwechsel als auch für den Aufbau ihrer Biomasse nutzen.

„Diese Arbeit zeigt zum ersten Mal direkt auf, dass Bodenmikroorganismen PBAT-Folien im Boden mineralisieren und Kohlenstoff aus dem Polymer in ihre Biomasse überführen“, sagt Michael Sander, Senior Scientist im Bereich Organische Umweltchemie am Departement Umweltsystemwissenschaften der ETH Zürich.

PBAT ist wie PE ein erdölbasiertes Polymer. Da ersteres im Kompost als biologisch abbaubar gilt, haben die ETH- und Eawag-Forscher den Bioabbau dieses Kunststofftyps nun auch in Böden untersucht. Polyethylen ist hingegen weder im Kompost noch im Boden abbaubar.

Polymer mit Kohlenstoff C-13 markieren

In ihren Versuchen verwendeten die Forscher speziell für diesen Zweck hergestelltes PBAT-Material, bei dessen Produktion eine bestimmte Menge an Monomeren verwendet wurden, die mit dem etwas schwereren, stabilen Kohlenstoffisotop C-13 markiert waren. Dieses Isotop diente den Wissenschaftlern dazu, den Weg des Polymerkohlenstoffs während des biologischen Abbaus im Boden nachzuverfolgen.

Bauen die Bodenmikroben das PBAT ab, setzen sie zwangsläufig auch den C-13-Kohlenstoff frei. Mit geeigneten Messinstrumenten lässt sich dieser schliesslich sowohl in Stoffwechselprodukten wie Kohlendioxid (CO2) aus der Zellatmung der Mikroben als auch in Zellstrukturen, welche die Organismen erzeugt haben, nachweisen.

Echter biologischer Abbau

„Das Elegante an dieser Studie ist, dass wir stabile Kohlenstoffisotope genutzt haben, um den Verbleib des Kohlenstoffs aus dem Polymer präzise im Boden nachverfolgen zu können“, sagt Erstautor Michael Zumstein.

Auf diese Weise ist es den Forschenden zum ersten Mal gelungen, einen wissenschaftlich stringenten Beweis zu führen, dass ein Kunststoff im Boden effektiv biologisch abgebaut werden kann. Denn nicht alle Materialien, die in der Vergangenheit als „biologisch abbaubar“ bezeichnet wurden, sind es tatsächlich. „Unter biologischen Abbau verstehen wir, dass die Mikroben allen Kohlenstoff aus den Polymer-Ketten für die Energiegewinnung und zum Aufbau neuer Biomasse nutzen – so wie wir es für PBAT zeigen konnten“, sagt Umweltmikrobiologe Hans-Peter Kohler von der Eawag.

Biologisch abbaubare Kunststoffe unterscheiden sich fundamental von solchen, die in der Umwelt, zum Beispiel nach Sonnenbestrahlung, in kleine Plastikpartikel zerfallen, nicht aber mineralisiert werden. „Viele Plastikmaterialien zerbröseln nur, und Bruchstücke verbleiben als Mikroplastik in der Umwelt, auch wenn wir sie von blossem Auge nicht mehr sehen“, betont Kohler.

Bei ihrem Versuch füllten die Wissenschaftler je 60 Gramm Erde in Flaschen von einem Deziliter Volumen und steckten PBAT auf Trägermedien in das Bodenmaterial.

Nach sechs Wochen untersuchten die Forscher, ob sich Mikroorganismen auf dem Polymer angesiedelt hatten. Kohlenstoffdioxid, das aus der Flasche ausströmte, analysierten sie auf den Anteil des Kohlenstoffisotops C-13. Den Einbau des Polymerkohlenstoffs in die Biomasse von Mikroorganismen auf der Polymeroberfläche bestimmten sie zusammen mit Forschern der Universität Wien.

Zu früh für Entwarnung

Wie lange PBAT in landwirtschaftlichen Böden verbleibt, können die Forscher noch nicht voraussagen. Um den Abbau der PBAT-Folie unter Umweltbedingungen zu untersuchen, sind Langzeitstudien auf verschiedenen Böden und unter unterschiedlichen Bedingungen im Freiland nötig.

„Es gibt leider noch keinen Grund zum Jubeln: das globale Umweltproblem der Plastikverschmutzung haben wir nicht gelöst“, sagt Sander. „Aber wir haben einen ersten, sehr wichtigen Schritt in Richtung Abbaubarkeit von Plastik in Böden gemacht.“

Er warnt allerdings vor überzogenen Erwartungen bezüglich des biologischen Abbaus von Kunststoffen in der Umwelt: „Die Ergebnisse lassen sich nicht direkt auf andere Umweltsysteme übertragen. Zum Beispiel ist der Bioabbau von Polymeren im Meerwasser möglicherweise deutlich langsamer, da dort andere Bedingungen vorherrschen und andere Mikroben leben.“

Neues Werkzeug erschaffen

Die Forscher erwarten, dass ihre Studie auch in der Industrie Beachtung findet. „Wir haben eine Analytik entwickelt, die der Industrie die Türe öffnet für Umweltverträglichkeitsprüfungen ihrer Produkte. Dank unserer Methode kann sie dazu übergehen, biologisch abbaubare Materialien für Mulch-Folien herzustellen und die dünnen PE-Folien zu ersetzen“, sagt ETH-Professor und Mitautor Kristopher McNeill.

Bislang gibt es erst wenige Chemiefirmen, die auf die umweltverträglicheren aber etwas teureren PBAT-Folien setzen. Dazu zählt die deutsche Chemiefirma BASF, die diese Studie unterstützt hat. „Im Vergleich zur gesamten in Umlauf gebrachten Plastikmenge spielen die bioabbaubaren Mulch-Folien bislang eine kleine Rolle. Aber diese Produkte sind ein wichtiger Anfang, da sie landwirtschaftliche Böden entlasten und langfristig vor der Anreicherung mit Plastik schützen können“, sagt Sander.

Eine weitere Möglichkeit, den Eintrag von Plastik in Böden zu verringern, ist auch das Verwenden dickerer Mulch-Folien, wie sie auch in der Schweizer Landwirtschaft verwendet werden. Diese lassen sich nach Gebrauch einsammeln, wiederverwenden oder in der Kehrichtverbrennung entsorgen.


Diese Newsmeldung wurde mit Material idw erstellt.

Mehr zu den Themen


warte
warte
warte
warte
warte
warte
warte
warte
warte
warte