Schutzstrategien von Pflanzen gegen Frost



Bio-News vom 26.01.2023

Fallen die Temperaturen unter null Grad, bilden sich Eiskristalle auf den Blättern von winterharten Grünpflanzen - Trotzdem überstehen sie Frostphasen in der Regel unbeschadet. Mit einem besonderen Kryo-Rasterelektronenmikroskop konnten Forschende vom Zoologischen Institut der Christian-Albrechts-Universität zu Kiel (CAU) erstmals hochauflösende Bilder von Vereisungsprozessen auf heimischen Wildpflanzen und Pflanzen in der Antarktis aufnehmen.

Dabei entdeckten sie verschiedene winzige Strukturen auf den Blattoberflächen, mit denen sich die Pflanzen gegen niedrige Temperaturen schützen. Ein besseres Verständnis dieser Schutzstrategien könnte auch für Nutzpflanzen oder Flugzeugoberflächen interessant sein.


Winterhart

Publikation:


Stanislav N. Gorb, Elena V. Gorb
Anti-icing strategies of plant surfaces: the ice formation on leaves visualized by Cryo-SEM experiments

Sci Nat 109, 24 (2022)

DOI: 10.1007/s00114-022-01789-7



Publikation:


Elena V. Gorb, Iryna A. Kozeretska, Stanislav N. Gorb
Hierachical epicuticular wax coverage on leaves of Deschampsia antarctica as a possible adaptation to severe environmental conditions
Beilstein Journal of Nanotechnology, volume 13, 807–816 (2022)

DOI: 10.3762/bjnano.13.71

Inspiration für technische Anti-Eis-Oberflächen

Flugzeuge werden zum Schutz vor Vereisung mit speziellen Flüssigkeiten behandelt oder mit beheizbaren Flächen ausgestattet. An geeigneten Beschichtungen für die Luftfahrt forschen Wissenschaft und Wirtschaft weltweit. „Viele unserer Wildpflanzen hingegen haben im Laufe der Evolution einen eigenen, natürlichen Schutz gegen Vereisung entwickelt“, erklärt Professor Stanislav Gorb, Leiter der Arbeitsgruppe Funktionelle Morphologie und Biomechanik. Seit über 20 Jahren erforscht der Zoologe zusammen mit seiner Ehefrau Dr. Elena Gorb, studierte Botanikerin, die Oberflächen von Pflanzen an der CAU.


Die Collage zeigt verschiedene Arten von Pflanzenblättern und ihre Schutzmechanismen vor Eis (im Uhrzeigersinn, beginnend unten links): Härchen, eine glatte Oberfläche und eine Wachsschicht.
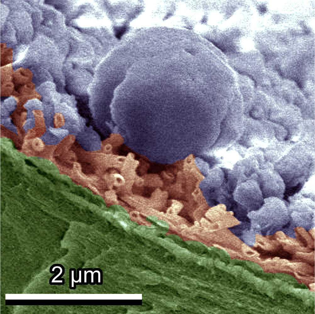
Das eingefärbte Bild aus dem Kryo-Rasterelektronenmikroskop zeigt Eiskristalle (lila), die sich auf einem Tulpenblatt gebildet haben. Die wachsartige Schicht (braun) auf der Oberfläche schützt das darunterliegende Blatt (grün).

Zur Frage, wie sich Pflanzen vor zu starker Vereisung schützen, hat sich die Forschung bisher vor allem auf den Zuckergehalt und andere chemische Prozesse in den Pflanzenzellen konzentriert. Das Kieler Forschungsteam konnte jetzt zeigen, dass auch die Oberflächenstruktur der Blätter eine wichtige Schutzfunktion bei Kälte einnimmt. Dafür untersuchten sie die Bildung von Eiskristallen auf verschiedenen Blättertypen heimischer Wildpflanzen.



Gorb weiter: „Denn bildet sich dort eine Eisschicht, erfrieren in Kürze auch die Zellen der Pflanze“. Durch Untersuchungen in der Natur und im Labor konnten die beiden Forschenden unterschiedliche Schutzmechanismen auf den Blättern ausmachen.

Verschiedene Blattoberflächen

Pflanzenblätter mit Härchen („Trichome“) wie beim Gänseblümchen (Bellis perennis) sind in der Regel hydrophil. Hier bilden sich Eiskristalle also zuerst – und sie schmelzen hier auch schnell wieder, sobald die Außentemperaturen erneut steigen. Die empfindliche Blattoberfläche darunter bleibt somit eisfrei und unbeschädigt.

Wachsartige Schichten auf der Blattoberfläche, wie zum Beispiel bei manchen Tulpenarten (Tulipa gesneriana), sind dagegen superhydrophob: Wassertropfen perlen sofort ab, auch bekannt als „Lotuseffekt“. Eiskristalle können sich hier nur bilden, wenn Wassermoleküle an einem Defekt in der Wachsschicht „hängenbleiben“. Doch selbst dann beschädigen sie die Wachsschicht nicht und das Blatt darunter bleibt intakt.

Einen Kälteschutz aus Wachs fanden die Kieler Forschenden nicht nur bei Pflanzen aus Norddeutschland, sondern auch am südlichen Polarkreis: Die Deschampsia antarctica, eine der beiden einzigen blühenden Pflanzen, die in der Antarktis beheimatet sind, hat gleich doppelt vorgesorgt. Auf beiden Blattseiten besitzt sie eine auffällige, sogenannte epikutikuläre Wachsschicht, die aus zwei übereinanderliegenden Schichten besteht. Im Beilstein Journal of Nanotechnology vermuten die Forschenden, dass diese zwei Wachsschichten die Widerstandsfähigkeit gegen Kälte, Vereisung, schädliche UV-Strahlung und Austrocknung erhöhen und damit zur Anpassung der Pflanze an die harten Umweltbedingungen in der Antarktis beitragen.

Pflanzen mit relativ glatten Blättern wie die Lorbeerkirsche (Prunus laurocerasus) sind auf den ersten Blick am wenigsten geschützt: Eiskristalle können sich auf der gesamten Oberfläche bilden. Unter Sonneneinwirkung sammelt sich das Schmelzwasser in tiefergelegenen Stellen des Blattes. Sinken die Temperaturen wieder, gefrieren diese Pfützen und können so die Zellen der Pflanzen nachhaltig beschädigen. „Aber da auch solche Pflanzen den Winter überstehen, denken wir, dass sie einen ausreichenden chemischen Schutz haben“, so Stanislav Gorb.

Mikroskop ermöglicht Bilder bei minus 140 Grad

Erforschen konnte das Team die nanoskaligen Eiskristalle nur dank seines sogenannten Kryo-Rasterelektronenmikroskops. Im Gegensatz zu anderen Verfahren werden biologische Proben hier nicht getrocknet, sondern sehr schnell gefroren. So bleiben ihre Strukturen gut erhalten und sie lassen sich in fast natürlichem Zustand untersuchen. Dafür tauchte das Team die Blätter kurz in flüssigen Stickstoff bei minus 196 Grad. Bei Raumtemperatur begannen sie anschließend zu vereisen. In dem auf minus 140 Grad heruntergekühlten Mikroskop ließen sich nun hochaufgelöste Bilder der entstandenen Eiskristalle erstellen. Der Vorgang lässt sich wiederholen, um ein zwischenzeitliches Schmelzen – zum Beispiel tagsüber durch die Sonne – und erneutes Vereisen zu simulieren.

Pflanzen haben im Laufe der Evolution sehr viele Möglichkeiten entwickelt, sich vor Kälte zu schützen“, fasst Stanislav Gorb zusammen. Insbesondere was bei der Interaktion mit Wasser an der Blattoberfläche passiert, verspreche spannende Erkenntnisse, auch für die Entwicklung von technischen ‚Anti-Eis‘-Oberflächen. „Doch noch wissen wir sehr wenig über diese Prozesse.“


Diese Newsmeldung wurde mit Material der Christian-Albrechts-Universität zu Kiel via Informationsdienst Wissenschaft erstellt.


warte
warte
warte
warte
warte
warte
warte
warte
warte
warte